New Product: Apple Disk Drive A/B Switch

For Lisa computer owners, and Macs with only one floppy connector, disk drive emulation can be awkward sometimes. The Apple Disk Drive A/B Switch aims to eliminate that awkwardness. Available now from the BMOW Store, this board makes it possible to attach a Floppy Emu and a real floppy disk drive at the same time, and select between them with an A/B switch. Both drives will be powered, but the computer will only “see” one drive at a time, depending on the switch position. If you’ve got a single-drive system, and want to work with physical floppy disks and the Floppy Emu without a lot of cable swapping, then this is for you.
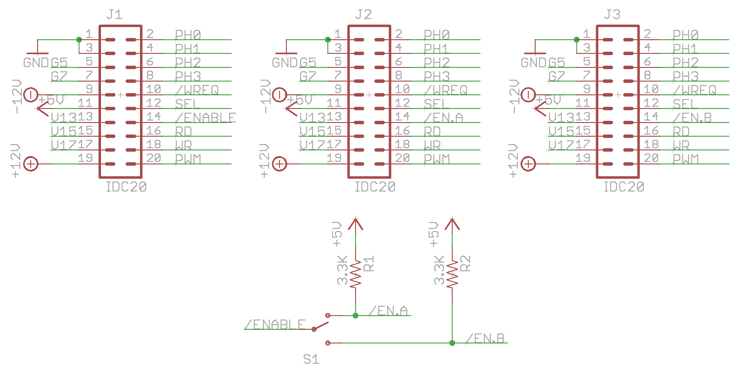
The board design is about as simple as it gets. A 20-pin ribbon cable connects the “IN” port to the computer’s logic board. The Floppy Emu is attached to “Disk A” and the real floppy drive to “Disk B”, or the other way around – it doesn’t matter. All of the power and data signals are shared between all three of the connectors on the A/B board, except for the ENABLE signal. By moving the A/B switch, you can alternately connect the computer’s ENABLE signal to either Disk A or Disk B. Both disks also have a 3.3K ohm pull-up resistor on their enable inputs, to ensure they’re disabled while they’re not selected with the switch.

There was some interest in designing customized versions of this A/B board, so I’ve posted the Eagle design files. The design is released under the Creative Commons BY-SA license, and you’re welcome to use it in your own designs.
Read 6 comments and join the conversation6 Comments so far
Leave a reply. For customer support issues, please use the Customer Support link instead of writing comments.


Hi, wondering if this device would work on an Apple IIc? The description only really mentions Lisa and Macintosh.
Thanks!
Joe
The A/B switch is really intended for the Macintosh and Lisa with only one internal floppy connector. It should also work for directly-connected 5 1/4 inch disks on an Apple II system, but not for 3 1/2 inch Apple II drives, nor for daisy chains of drives.
Awesome thanks, I may pick one up for my IIc which has the 5-1/4 drive. I’m definitely going to order the Floppy Emu model B when it comes back in stock as well. Thank you for making products that support vintage Apple gear!
Do you have to fully eject (“Put Away”; command-Y) the disk before toggling? Or does it stay on the desktop and treat it as an ejected disk (gray) until you toggle?
Oops. I also meant to ask if you can use two physical drives instead of one FloppyEmu and one physical drive. Use-case scenario: Booted off internal floppy with floppy disk. Want to copy files from one disk to another disk without ejecting your boot floppy; so you connect 2 more drives via the switcher.
On a Mac, you should fully put away any disk before flipping the A/B switch. The computer doesn’t know you have two drives, it’ll think it’s just a single drive where the disk suddenly magically changed to a different one. The A/B essentially lets you replace the drive on the fly, it doesn’t give you two drives. Yes you could switch between two physical drives, but I don’t think there would be any advantage to it.